
【產品簡介】
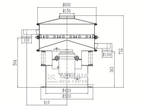
本品為直徑600mm單層兩出口碳鋼材質三次元旋振篩,子母網分離式網架結構,整機為碳鋼材質,整機噴漆。
免費獲取報價
全國統一銷售熱線
	關于“600型旋振篩”
	600型旋振篩是一種高精度細粉篩分機械,工作原理是由直立式電機作激振源,電機上、下兩端安裝有偏心重錘,將電機的旋轉運動轉變為水平、垂直、傾斜的三次元運動,再把這個運動傳遞給篩面。調節上、下兩端的相位角,可以改變物料在篩面上的運動軌跡,由于其振動運轉原理很多企業也稱之為“三次元振動篩分過濾機”,根據外形結構被部分客戶稱呼為圓形篩,從材質上分標準型旋振篩和普通型旋振篩的,標準型的與物料接觸部分為304不銹鋼材質,底座為碳鋼材質,普通型的通體為普碳鋼材質。
	"大漢"DH系列三次元旋振篩產品,經客戶多年使用,獲得大量的一線反饋建議,在自有成熟的篩機制造技術基礎上,大漢機械工程師以滿足客戶需求為標準,多次技術改進,篩分效果更好,采用新型動力激振器,三維動力更加突出,適用范圍更加廣泛,大漢機械公司可根據客戶需求設計特殊型號,無論物料是干是濕,是精細是粗糙,是比重大是比重輕,0-400目都可以篩選,不管是液態的,還是漿狀的0-600目都可以過濾."大漢"旋振篩系列產品同時配備專門的篩網清理裝置,把堵網率降到低,過網率和處理精度得以有效提高."大漢"具備特殊型號制造的能力讓顧客對"大漢"有更多的選擇.
"大漢"600型旋振篩的特點:
	☆ 效率高、設計精巧耐用,粉類、粘液均可篩分。
	☆ 換網容易、操作簡單、清洗方便。
	☆ 網孔不堵塞、粉末不飛揚、可篩至400目或0.028mm。
	☆ 雜質、粗料自動排出,可以連續作業。
	600型旋振篩適用的行業
	
	
	 
	600型旋振篩結構原理示意圖 
	
	600型旋振篩外形尺寸表 
	
	
	600型旋振篩產品特點 
	1、效率高、設計精巧耐用,精類、粘液均可篩分。
	2、換網容易、操作簡單、清洗方便。
	3、網孔不堵塞、粉末不飛揚、可篩至500目或0.028mm。
	4、雜質粗料自動排出,可以連接作業。
	5、獨特網架設計,篩網使用時間長久,換網快,只需3-5分鐘。
	6、體積小,節省空間、移動方便。
	7、篩網高可以達到五層。 
	2.設備出廠前已將篩網裝妥,使用過程中的篩網更換可自己更換。
	3.開機前,應先檢查各壓緊螺栓的緊固程度,及各料口的位置是否與接料器對正,并觀察振動電機是否能正常轉動及彈簧受力有無阻礙,檢查各層篩網是否壓緊。
	4.當旋振篩接入電氣控制盤之前,應首先對電氣控制盤進行檢查。線路接通后觀察振動電機旋轉方向是否是順時針方向, (備注:否則應改變相序)運轉是否正常,有無異噪聲。
	5.調節振動電機上下偏心塊的相位角,以適應各種物料篩分情況。
600型旋振篩售后服務:
	
您可能還可能了解:
目前業內報價相對透明,價格的構成主要是由三個因素決定:...
淀粉旋振篩價格: 4000-37000元 ,其價格主要有以下幾個因素決定...
河南省新鄉市作為振動篩廠家集聚地,分布有百余家的廠家,哪...
河南省新鄉市作為振動篩廠家集聚地,分布有百余家的廠家,哪...
Copyright ? 2007-2020 新鄉市大漢振動機械有限公司 版權所有
All Rights Reserved 備案序號:豫ICP備09002479號-15