

【產品簡介】
1000型噴塑旋振篩簡介:1000型噴塑旋振篩,底座采用噴塑工藝處理永不生銹。1000型噴塑旋振篩是一款專注于高精度篩分的篩分機。該旋振篩里外拋光符合衛生標準,對環境無污染,對人體無害;涂層外觀質量
免費獲取報價
全國統一銷售熱線
	1000型防腐旋振篩簡介: 
	1000型防腐旋振篩,底座采用噴塑工藝處理不生銹。1000型噴塑旋振篩是一款專注于高精度篩分的篩分機。該旋振篩里外拋光符合衛生標準,對環境無污染,對人體無害;涂層外觀質量優異,附著力及機械強度強;涂層耐腐耐磨能力高出很多;有效防止靜電的產生。
	1000型防腐旋振篩工作原理:
	1000型噴塑旋振篩是一種高精度細粉篩分機械,工作原理是由直立式電機作激振源,電機上、下兩端安裝有偏心重錘,將電機的旋轉運動轉變為水平、垂直、傾斜的三次元運動,再把這個運動傳遞給篩面。調節上、下兩端的相位角,可以改變物料在篩面上的運動軌跡,由于其振動運轉原理很多企業也稱之為“三次元振動篩分過濾機”,根據外形結構被部分客戶稱呼為圓形篩。
	1000型防腐旋振篩特點:
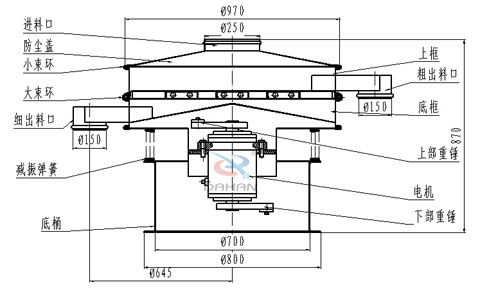
1000型防腐旋振篩結構圖:
	
旋振篩廠家-大漢振動機械有限公司可根據客戶需要特殊制造:
目前業內報價相對透明,價格的構成主要是由三個因素決定:...
淀粉旋振篩價格: 4000-37000元 ,其價格主要有以下幾個因素決定...
河南省新鄉市作為振動篩廠家集聚地,分布有百余家的廠家,哪...
河南省新鄉市作為振動篩廠家集聚地,分布有百余家的廠家,哪...
Copyright ? 2007-2020 新鄉市大漢振動機械有限公司 版權所有
All Rights Reserved 備案序號:豫ICP備09002479號-15